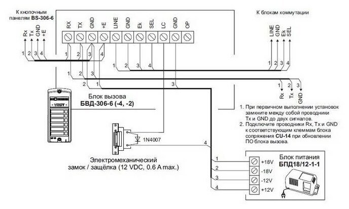
VIZIT BVD-306-4

Depth: 36 mm
Brand: VIZIT
Description: Type: calling panel on the door, model/version: audio module, height: 179 mm, width: 77 mm, depth: 36 mm, technology/installation method: multi-wire, number of users: 4
Width: 77
Height: 179
Additional Information: Adjusting the volume of service signals; duplex volume control; sound and light signaling of operating modes; Illuminated call buttons and nameplates
Type: Call panel on the door
Model/Version: Audio module
Mounting method: Open installation
Number of call buttons: 4
Number of users: 4
Technology / installation method: Multi-wire