Item.Wiki
--
Catalog
:
Properties
:
Log in
:
Register
Root
Construction and repair
Tools
Measuring tool
Other measuring instruments
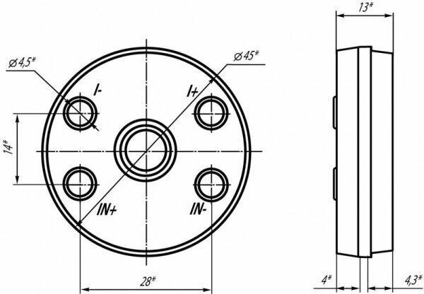
Measuring transducer NPT-2.11.1.2 50M, -50+50 C
Edit
History of changes
Delete item