Item.Wiki
--
Catalog
:
Properties
:
Log in
:
Register
Root
Auto
Automotive electrical
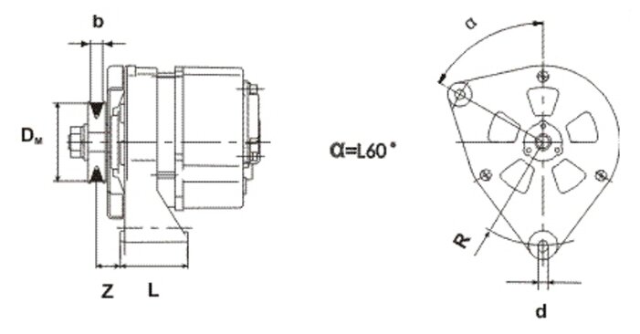
Generator AAN5856 IMA300446, MG 466, 11.204.466 with additional Iskramotor kit. 28V 120A
Edit
History of changes
Delete item