Item.Wiki
--
Catalog
:
Properties
:
Log in
:
Register
Root
Equipment
Stage and audio equipment
Concert and Broadcast Audio Equipment
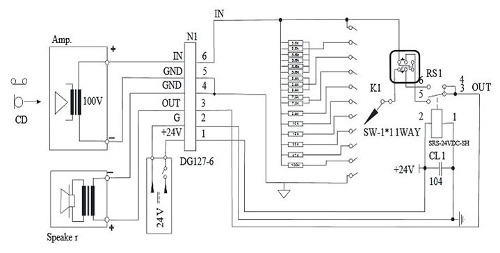
Attenuator AMC VC 5RX
Edit
History of changes
Delete item
Weight:
0.16 kg
Depth:
70 mm
Description:
Purpose: broadcast equipment
Width:
86
Height:
86
Additional Information:
Built-in volume control with protective relay DC 24 V/6 Wire, 10-step + switch, power 5 W, type - resistor, material - plastic
Type:
Attenuator
Purpose:
Broadcast equipment