Item.Wiki
--
Catalog
:
Properties
:
Log in
:
Register
Root
Construction and repair
Tools
Pneumatic tools
Air compressors
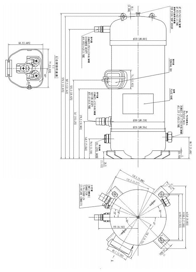
C-SCN753L8H R 404 380V/50Hz 10HP 13.3kw 45.4 BTU/H PANASONIC
Edit
History of changes
Delete item
Brand:
Panasonic
Description:
Scroll compressor, electric motor, 14 kW, 1 hp, connection type: flanged
Connection type:
Flanged
Supply voltage:
380 V
Power:
14 kW
Compressor type:
Spiral
Noise level:
71 dB
Engine's type:
Electric