Item.Wiki
--
Catalog
:
Properties
:
Log in
:
Register
Root
Auto
Spare parts
Brake system
Other components of brake systems
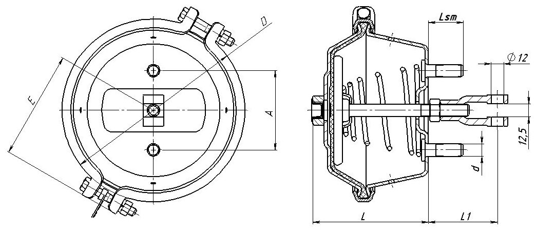
Brake chamber Belcard 24.3519010-01
Edit
History of changes
Delete item
Description:
Type: brake chamber, car brand: MAZ, car model: MAZ 5336, MAZ 6303, installation axle: front, OE code: 100-3519210-10
Additional Information:
Type 24
Type:
Brake chamber
OE code:
100-3519210-10
Detailed equipment:
The plug is not included, the protective cover is not installed
Automobile model:
MAZ-53363 MAZ-53366 MAZ-6303
Vehicle type:
Trucks
Manufacturer code:
24.3519010-01
Installation Bridge:
Front